How Does Cyaniding Equipment Improve Gold Recovery and Site Safety?

2026-01-08 - Relinque mihi nuntium

Si umquam similis cyanidatio sensisti "efficax, sed stressful", non imaginaris. Opera chemia - tamen dies hodiernus realitas potest esse nuntius: chalcitis variabilis, detrimenta reagens, dispendia carbonis, tempus inopinatum et pressio assidua ad tuto et constanter operandum. Hic articulus deiecerit quidCyaniding Equipmentactu facias tibi, quod ante emeris petere, et quam vitare carissima errata.


Abstract

ModernCyaniding Equipmentpraedia non solum statuta est-sicut ratio conexa ordinatur ad condiciones dicionis moderandas, recuperationem stabiliendam, vastitatem reagentis minuendam, et cyanidum tractandum praedictibile custodis. Emptores typice contendunt cum quattuor punctis doloris: inconstanter recuperatio, princeps operans sumptus, debilis salus moderatur, et sustentatio capitis. Infra, habebis conspectum practicum, planta-aream cyaniding modulorum (leaching, adsorptionis, desorptionis/electrowinning, detoxorum et instrumentorum), delectu matricis, apicibus committendo, et sectione FAQ in colloquiis elit uti potes.


Tabula contentorum


Adumbratio

  • Translate "cyanidationis opus est" in scopum apparatum completum, moderatissimum.
  • COGNOSCO utrius modulus damna tua pellet (receptatio, reagens, carbo vel downtime).
  • Simplex matrix utere ad solutiones comparandas pro chalcitide speciei et angustiis.
  • Ambulate in conventibus cum maculoso quod infirma consilia ieiunii exponit.

Verus eget dolor Points

Cum homines TABERNA forCyaniding Equipmentsaepe dicunt "superiore recuperatione opus est." Quid significare solet: "Recuperatio opus est quae alta manet etiam cum chalcitis mutationes, operariorum gyratur et situs remotus". Hic sunt dolor puncta quae iterum iterumque ostendunt;

  • Recuperatio oscillationesex ore variabilitatem, molere quaestiones, limitationes oxygeni, vel pH potestate pauperes.
  • Reagens pretium repuntde overdosing cyanide aut calce "justum esse tutum."
  • Carbones difficultatesut fouling attritio damnum vel adsorptionem in motu pauperum.
  • downtimee sentinam/valvae defectis, laesurae slurriae induti, vel ad accessum difficiles-expositae.
  • salus accentuscirca cyanidum repositionis, dosing, et subitis responsionis promptitudine.

Consilium apparatum bonum omnem complexionem non tollit, sed coniecturae tollere debet.


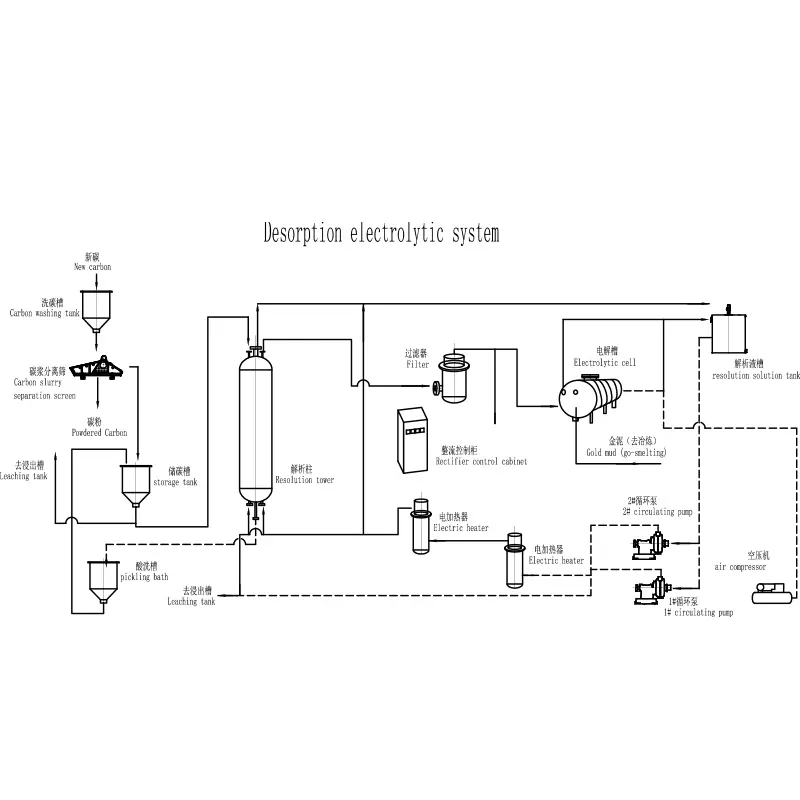
Quid "Cyaniding Equipment" Includes

Cyaniding Equipment

Ad minimum,Cyaniding Equipmentintelligenda est ratio quae his muneribus adiuvat;

  • Leaching: praebere tempus, mixtionem et chemiam temperare dissolutionis.
  • Aurum captis: adsorptio in carbonem reducitur (CIP/CIL) vel itinera praecipitatio.
  • Aurum recuperatio: dissolutio et electrowinning (vel recuperatio circuitus).
  • Detox et tailings pertractatio: reducere residua cyanide ad gradus acceptabiles.
  • Instrumentation and control: metire et stabilire pH, oxygenium dissolutum, fluxum et dosing.

Si supplementum solum de "lacus" loquitur, impellunt ad definiendum totum fluxum et puncta moderantia. Cyanidatio ignoscit in lab conditionibus; in tenebrarum condiciones non dimittens.


Processus clarus Map ab Ore ad Doré

Dum omnis planta differt, maxime cyanidationes viae sequuntur narum cognoscibilem. Hac tabula utere ad sanum-reprehendo num sarcina proposita perfecta est;

Scaena Quod necesse est Typical "occultum" Risk
Pre-treatment (ut opus est) Fac aurum accessum et ne cyanidum spicis consumat Neglecta preg-spolia, aes alta, vel sulfides reciprocus
Leaching Stabilis permixtio, pH moderata, oxygenii sufficiens Zonae mortuae, translationis oxygenii pauperum, pH erraticae de systematis calcis infirma
Adsorptio (CIL/CIP) Captis dissolvi aurum efficienter Nefas carbonii magnitudinem / modum translationis; damna ipsum
Elution / Desorption Exue aurum ipsum fideliter Calefactio inconstans / humilis expoliantes ducit ad fluxus efficientiam
Electrowinning / Smelting Recuperare et producere doré Cellae improcerae, procuratio electrolytici pauperis, pituitae tractandi quaestiones
Detox RELICTUM cyanide ante missionem redigendum / tailings Consilium non congruit throughput variabilitatem vel tailings chemiae

Key moduli et quid ad reprimendam

I) Leaching lacus et agitatio

  • Estne mixtura consilium aptum ad slurriam densitatem et abrasitatem tuam?
  • Potestne ratio pH sub ore variabilitatis stabilem ponere?
  • Estne oxygeni adiectio practica in situ tuo (et translatio oxygeni in consilio consideratur)?
  • Permittitne facilis inspectio impulsores, liners, et gestus positio?

2) Carbonis adsorptio et translatio

  • Suntne interstage screens satis robusti ne carbo carryover?
  • Estne carbonis translatio machinata ad fracturam et damnum reducendum?
  • Estne amica consilium ad purgandum et inventarium carbonis imperium?

III) Desorption et electrowinning

  • An ipsum ambitum elution aequat expectationi loading tui?
  • Calefaciunt et refluunt stabilia moderamina (non operans-dependens)?
  • Estne caeno tractatio meditata, non improvisa?

IV) Cyanide dosing et measurement

  • Dosing automated cum interlocks, vel pure manuales?
  • Quid est consilium calibrationis et sensoris sustentationis in reali mea ambitu?
  • Suntne puncta tuta ac bene collocata, an retractu?

5) Detox

  • Estne detox consilium fundatur in missione scuta et tailings chemiae?
  • Potestne breve tempus clavi tractare sine shutdown?

Practica admonitus:Propositio quae viliorem in charta spectat, saepe sumptus in operationes impellit, extra cyanidem, extra calcem, extra sustentationem laboris, et plus "heroica" operantis mores. Postea venit rogatio.


Accuratione ac Specification Basics

Non opus est ut metallurgus quaerere quaestiones identidem quae tuas rationes tueatur. ForCyaniding Equipmentnucleus logica consideratio per tempus, commorationem et translationem massam circumagitur. Priusquam aliquod consilium finale accipias, fac hae initationes explicite enunciatae sunt;

  • Design throughput(Mediocris et apicem, plus expectata temporis variabilitas).
  • Scopum mole moleet quid si molendinum crassius fluit.
  • Leach commorationis temporeet sive probat sive suppositionibus innitatur.
  • PH et alcalinity consilium(including praeparationem calcis et stabilitatem dosing).
  • OXYGENIUM belli(air, dolor, vel none) et malesuada ligula in kinetics.
  • Carbonis inventarium(quantus carbo, ubi sedet, et quomodo monitor).

Si supplementum his verbis simplicibus explicare non potest, eam tamquam signum periculi tractare, non technicum.


Salus et Cyanide Imperium quod actualiter sustinet

Salus posteri in muro non est. Cum cyanidatione, in consilio et exercitatione corporis aedificatur. FortisCyaniding Equipmenttypically includit packages:

  • Repono et translatio continebatperspicua vertuntur calles et bunding logica.
  • Interlocked dosingideo cyanides addi non possunt cum condiciones clavis obviae sunt.
  • Patet sampling designpericulum in exercitatione nuditate compescit reducit.
  • Subitis promptumut pars operativae procedendi, non addendi supra documentum.

Ex prospectu emptoris, officium tuum simplex est: rogationem cogere ut exacte ostendas quomodo homines cum systemate inter se conveniunt. Ubi stant? Quid tangunt? Quomodo secernunt apparatum? Quomodo respondent cum defectu sigilli sentinae ad 2 a.m.?


Ubi operans JACTURA vere veni a

Si pretium tuum per unciam sursum truditur, non solet unum defectum dramaticum esse, parvum scillam in systematis illius compositionis. In cyanidatione, aurigae frequentissimi sumptus sunt;

  • Cyanide consummatioreactivum mineralium acti, habitus overdosing, vel loramenta pauperum moderantia.
  • calcis consummatioquando pH moderatio instabilis est vel chemia slurry non bene intelligitur.
  • Carbonis damnumper attritionem, velum exitus, vel consilium translationis pauperum.
  • Potestas et sustentatiode nimia agitatione, partes gerunt sub designato, et in layout servitutis durae.
Symptom Verisimile radix causa Feature quod adiuvat
Recuperatio cadit in ore mutationes pH/DO instabilitas; pauper miscens; satis commorationis tempore Robusta agitatio, instrumentorum moderatio melior, tristique capacitas flexibilis
Cyanide habe servat orientem Overdosing; alta, mineralia cyanide-consumens; pauperis measurement Moderata dosing, certa sampling puncta, smarter interlocks
Ipsum inventarium "mystice" refugit Tegumenta defecta; damna transferre; attritio Interstage screens, consilium transferre leves, ratio carbonis clara
crebris shutdowns Partes gere, sentinam signare, aditus proventus Repugnantibus materiis gere, accessum victum, de mensuris parcit

Reliability and Sustentacionem Design

Cyaniding Equipment

Circuitus cyanidatio "plenam" spectare potest et adhuc esse volaticus si conservatio non designata est. Quaere quomodo accesserit supplementum:

  • Materiae lectiopro slurry zonis laesura et zonis cyanide-contactus.
  • Accessad tegumenta, impulsores, lineres, soleatus, et instrumentationes.
  • Parce partes belliquae realitas situs tuos aequet (plumbea tempora, logistics, metus).
  • Standardizationad redigendum numerus unique lapsum items.

In remotis operationibus, "facile defendere" plus valere potest quam "paulo efficacius in charta."


Supple quaestiones quaeras

Hoc maculoso utere in conventibus. Propositiones debiles cito – sine colloquio in disceptationem convertendo destinavit.

  • Quo ore pericula assumuntur, et quae machinata sunt?
  • Quid sunt consilium inputs residentiae tempus, pH range, et dolor consiliorum?
  • Quomodo cyanide dosing moderatur, et quid fit in sensore defectu?
  • Quomodo damnum carbonis in operationibus exercitationibus impeditum et mensuratum est?
  • Quid est accessus ad sustentationem consilii tegumenta, seditiosos, et soleatus?
  • Quaenam sunt operatrix suadeo per trabea compescit, et quomodo tutae fiunt?
  • Quae commissio subsidii includitur, et quae operantis institutio praebetur?

Si venditores aestimare vis, adiuvare potest loqui cum fabrica quae plenam cyanidationis sarcinam suppeditat et singula integralia sustineat. Exempli gratia Qingdao EPIC Mining Machinery Co.,Ltd.fodienda praebet solutiones armorum processus instrumentorum ubi cyanidationis fasciculi considerantur ut systemata - leaching, adsorptionem, recuperationem et imperium - potius quam disiuncta praediorum copia.


FAQ

Quid potius facit Cyaniding Equipment "modernus" quam fundamentalis?

Consilia moderna in gubernabilitate et iterabilitate intendunt: dosing stabilis, mensura certa, tutior sampling, robustus praesidium gerunt, et rationes quae operator improvisationem minuunt. Propositum constat recuperare cum minus gerentibus in vastis et paucioribus shutdowns.

Potestne Cyaniding Equipment tractare humilis-gradus oeconomice?

Potest, sed solum cum machinatur in circuitu tuo momenta et tabes profile. Operationes inferioris gradus tendunt ut sensitiva ad tempus impendendum et descendendum tendunt, ideo systemata control, consilium gerunt, et procuratio carbonis imprimis momenti fiunt.

Unde scio an CIP vel CIL opus sit?

Electio plerumque a sanguisuga pellicula dependet et quam cito aurum solvi capiatur. Si aurum cito dissolvit et statim capere voles, CIL venustas esse potest. Si leaching beneficia ab separatione ante adsorptionem, CIP melius aptari poterit. Experimenta metallurgia et practica situs angustiis decisionem ejicere debent.

Cur consumptio cyanidis interdum subito spicatur?

Causae communes includunt mutationes minerales minerae, pH potestate pauperes, limitatio oxygeni inopinata, seu contagione in processu aquae. Bona moderatio consilium plus certae sampling puncta facit haec clavi faciliora egritudo et celeriter corrigere.

Quid prioritizem si situs meus remotus et brevis situs est?

Prioritizare conservabilitatem et automationem quae tractationem manualem minuit: durabilia screens, pervias layout instrumentorum, normatum parcit, dosing interclusas, et consuetudines operativas manifestas quae "uno operator perito" non innituntur.


Wrap-up

EmptioCyaniding Equipmentpostremo de reducendo dubitationem. Chemia probari potest, at quaestus tua ex constanti potestate, practica conservatione, et incolumitate quae in veras vices cum realibus hominibus operatur. Si novam plantam meditaris vel ambitum exsistentem moliris, res tuas ore, per scuta positos et angustias ad mensam affer - rogationem, quae cyanidationem tractat ut ratio perfecta, moderatior.

Paratus est consilium tuum cyanidationis in operationem certam, cost-stabilem reddere?Partis chalcitis genus, scopum capacitatem, et condiciones situs, etcontact usad tractandum de configuratione instrumentorum practicorum quae plantam tuam et operatores tuos aptant.

Mitte Inquisitionem

X
Crusulis utimur ut meliorem experientiam pasco tibi praebeamus, situm negotiationis et personalize contentus analyse. Hoc situ utendo, ad nostrum crustulorum usum consentis. Privacy Policy