Quid est Desorption Electrolytic Systema et cur Essentiale ad Extractionem Aurum Modernum?

2026-04-21 - Relinque mihi nuntium

TheDesorption Electrolytic Systemtechnologia crucialis est in recenti auri extractione, praesertim in carbon-in-pulpa (CIP) et processibus carbonii in-sacula (CIL). Hoc blog explorat quomodo systema opera, partes, commoda, et cur vexillum in efficiente auri recuperatione facta est. Nos quoque quomodo societates sicut ellipsisEPICAgunt in hoc campo novationem. Per finem, comprehensivam habebis intelligentiam quomodo haec ratio auget fructibus, reducit gratuita, ac melioris rates recuperatio.

Desorption Electrolytic System

Tabula contentorum


Quid est Desorption Electrolytic System

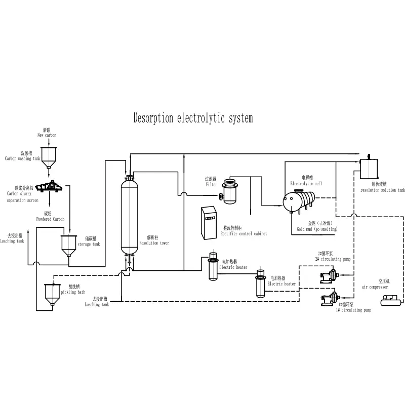
A Desorption Electrolytic Systemest provectus aurum recuperatio systematis ad eliciendum aurum ab activated carbonis. In fodienda operationibus late applicatur ubi aurum in particulas carbonas in processu diffluentiae absorbetur.

  • Desorptio: removet aurum ab carbone utens summus temperatus et solutiones pressurae summus
  • Electrolysis: aurum a solutione in cathodes recuperat
  • Clausa ratio-loop: efficaces ac minimo detrimento Ensures

Haec ratio necessaria est ad efficientiam recuperandam augendam et ad redigendos impensas perficiendas, quae nucleum efficit in hodiernis plantis auri processui.


Quomodo fit Desorption Electrolytic System Opus?

Principium operationis aDesorption Electrolytic Systemduas principales gradus;

  1. Scaena Desorptionis:Carbo carbonis oneratus curatur cum solutione cyanide alcalini calida, iones auri solvens.
  2. Electrolysis Scaena:Solutio auri ditissima per cellam electrolyticam transit ubi aurum lanae cathodes in ferro deponit.

Processus altam efficientiam efficit et operationem continuam concedit, unde systemata a societatibus similiaEPIClate adoptavit in applicationibus industriae.


Components Systematis

Component Munus
Desorption Column Reducitur ipsum tenet et auri remotionem adiuvat
Electrolytic Cell Aurum per electrolysis
Calor Exchanger Requiritur temperatus maintains
Ratio eliquare Imputae ex solutione
Imperium System Automates operatio et monitores parametri

Quaelibet pars partium vitalis munus agit in quo systema perficiendo efficaciter et constanter operatur.


Technical Commoda et Features

  • Princeps auri rate recuperatio (usque ad 98%)
  • Humilis industria consummatio
  • Automated operandi ad imminutos laboris sumptibus
  • Destinatio pactorum spatii ad efficientiam
  • Amicae cum minimis emissiones

Proin utEPICcontinenter optimize haec systemata ad industriam evolvendam postulata, ad meliorem effectum et constantiam praestandum.


Applications in Aurum Processing

TheDesorption Electrolytic Systemlate in;

  • Aurum fodienda plantae
  • CIP (Carbon-in-pulpam) res
  • CIL (Carbon-in-Leach) processuum
  • Aurum tailings recuperatio

Eius mobilitas idoneos facit ad fodienda industriae magnarum et minorum operationum quaerunt incrementa efficientiae.


Comparatio cum Traditional Methodi

Feature Desorption Electrolytic System Traditional Methodi
Efficientia Summus Moderatus
Automation plene automated Manual aut semi-automated
Pretium Infra longum tempus pretium Altius operational pretium
Environmental Impact low Superius

Patet sane, moderna ratio magnas utilitates in artificiis recuperandis aurum traditum praebet.


Electio Guide pro emptoribus

Cum eligens aDesorption Electrolytic Systemhaec considera;

  • Processus facultatem
  • Automation level
  • Energy efficientiam
  • Famae fabrica (e.g., EPIC)
  • Post-Sales firmamentum

Recta ratio eligens effectum operationis diuturnum efficit et reditus maximized in obsidione.


Tutela et Operational Tips

  • Regulariter inspicere pipelines et valvulae
  • Monitor temperatus et pressura gradus
  • Mundus electrolyticos cellulas periodice
  • Repone obsoleta components cito
  • Sequere fabrica guidelines stricte

Propria conservatio significanter spatium vitae systematis extendit et congruenter perficiendum efficit.


FAQ

1. Quid est principale propositum Systematis Desorptionis Electrolyticae?

Praecipuum eius propositum est efficenter extrahere et recuperare aurum ab actu carbonis.

2. Quomodo efficiens est ratio?

Pleraque systemata efficiunt ratem recuperandi auri super 95%, secundum condiciones operandi.

3. Estne ratio environmentally- amica?

Etiam systemata moderna ordinantur ad emissiones obscurandas et ad vastum chemicas redigendum.

4. Utrum nativus sit?

Ita, societates sicut EPIC solutiones customisabiles praebent secundum exigentias processus.

5. Quae industriae hac ratio utuntur?

Primo quidem industria metalla auri, sed etiam in medicamentis metallicis pretiosis recuperandis.


conclusio

TheDesorption Electrolytic Systemsignificat breakthrough in auri technologia recuperandi, praestando singularem efficientiam, constantiam, et effectum environmental. Cum incrementis continuis industria duces quasiEPIChaec ratio magis magisque necessaria est ad hodiernas fodiendas operationes. Si quaeris optimize aurum tuum processum extractionis et quaestus melioris, collocans in GENERALI GENERALIS ratio est callidior electio.Contact ushodie magis discendum est quomodo solutiones pro necessitatibus tuis formandis praebere possimus.

Mitte Inquisitionem

X
Crusulis utimur ut meliorem experientiam pasco tibi praebeamus, situm negotiationis et personalize contentus analyse. Hoc situ utendo, ad nostrum crustulorum usum consentis. Privacy Policy